Search
× Search
Another Quad Pixel AF sensor patent application
Richard CanonNews
/ Categories: Canon Patents
This post may contain affiliate links(s). An affiliate link means I may earn advertising/referral fees if you make a purchase through my link, without any additional cost to you. It helps to keep this site afloat. Thank you in advance for your support. If you like what we do here, maybe buy me a coffee.

Another Quad Pixel AF sensor patent application

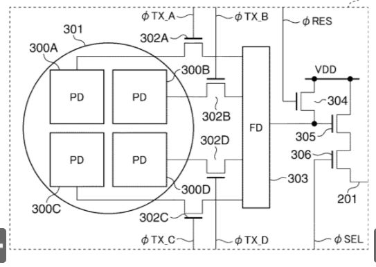
It stands to reason as Canon perfects it's smaller design rule processes necessary for ADC on sensor and also for DPAF (Dual Pixel Auto Focus) sensors in general, that they look to improve the vertical orientation auto focus of DPAF sensors.

One way of doing this is via Quad pixel AF, this is another patent application dealing with the fundamentals.

One problem with both Dual Pixel AF and now, Quad Pixel AF sensors is that each time you "split" a pixel, you lose some efficiency becuase you have to actually split the darn pixel up.

This is another patent application (Japan Patent Application 2017-228829) that improves the function of Quad Pixel AF sensors by optimizing the signal output from each quad pixel.

Could this be the next generation of sensors from Canon? Quite possibly, however, there's alot of fundamental tech that canon has to implement to make these sensors, and it would surprise me that the release of quad pixel sensors wouldn't also see the introduction of a stacked sensor.

 

 

Richard CanonNews

Richard CanonNewsRichard CanonNews

Richard has been using Canon cameras since the 1990s, with his first being the now legendary EOS-3. Since then, Richard has continued to use Canon cameras and now focuses mostly on infrared photography. Richard is the founder and editor of CanonNews since 2017, and has worked as a writer on CanonRumors and other websites in the past.

Other posts by Richard CanonNews
Contact author
Previous Article Canon leads the way in Japan for Patent Applications
Next Article Will the next series of TS-E's include IS?
Print
Please login or register to post comments.

Contact author

x

Keep In Touch

FacebookTwitterLinkedIn

Terms Of UsePrivacy Statement© 2026 by CanonNews. This site is not affiliated with Canon Inc. or it's subsidiaries.
Back To Top