Search
× Search
Canon Patent Application: Canon RF 8-15mm F4.0 Fisheye
Richard CanonNews
/ Categories: Canon Patents
This post may contain affiliate links(s). An affiliate link means I may earn advertising/referral fees if you make a purchase through my link, without any additional cost to you. It helps to keep this site afloat. Thank you in advance for your support. If you like what we do here, maybe buy me a coffee.

Canon Patent Application: Canon RF 8-15mm F4.0 Fisheye

One of Canon's more unique lenses for the EF mount is the Canon EF 8-15mm Zoom fisheye lens.  It appears that Canon feels it should be repeated on the RF mount as well.

This patent application describes a fisheye lens with a zoom from 8mm to 15mm.  With a distinctly short backfocus distance, this is certainly for the mirrorless mount.

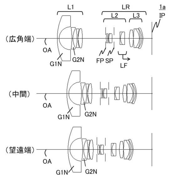
One of the embodiments is shown below;

focal length         8.10   11.97   15.07  
F number             4.10    4.10    4.10  
Half angle of view  91.51   90.00   90.32  
Image height        11.50   17.00   21.50  
Lens total length  111.33  107.33  108.91  
BF                  13.13   24.44   31.63  

Japan Patent Application 2020-166234

 
Richard CanonNews

Richard CanonNewsRichard CanonNews

Richard has been using Canon cameras since the 1990s, with his first being the now legendary EOS-3. Since then, Richard has continued to use Canon cameras and now focuses mostly on infrared photography. Richard is the founder and editor of CanonNews since 2017, and has worked as a writer on CanonRumors and other websites in the past.

Other posts by Richard CanonNews
Contact author
Previous Article New Rumor: Canon has developed a new full frame global shutter sensor
Next Article New Rumor: Canon's 2021 lens roadmap
Print
blog comments powered by Disqus

Contact author

x

Categories

Reference Library


Canon Camera Guide

Canon Lens Guide

Terms Of UsePrivacy Statement© 2026 by CanonNews. This site is not affiliated with Canon Inc. or it's subsidiaries.
Back To Top